膜盒(he)壓力表又稱微壓(ya)表。适用于測量無(wú)爆炸危險、不結晶(jīng)、52❌集家庭伦理剧来袭㊙️不凝‼️固,以及對銅(tóng)和銅合金無腐蝕(shí)作用的液體、氣體(ti)或蒸汽的💁低微🙇♀️壓(ya)力。
産品應用:應用(yong)于鍋爐通風和氣(qi)體管道等設備上(shang),在耐腐要求較高(gāo)的工藝流程中測(cè)量各種氣體介質(zhi)的微壓🤞和負壓。精(jīng)确度等級:2.5
.jpg)
|
一.概述(shù) |
||||||||||||||||||||||
|
膜盒壓(ya)力表采用膜盒作(zuo)爲測量微小壓力(lì)的敏感元🌈件。測量(liàng)對銅合金不起作(zuò)用、無爆炸危險氣(qi)體的微壓和負壓(yā),廣♊泛用于鍋爐通(tōng)風、氣體管道、燃燒(shāo)裝置等及其它類(lèi)似設備上。 |
||||||||||||||||||||||
|
二(èr).結構原理 |
||||||||||||||||||||||
|
儀表由測(cè)量系統(包括接頭(tou)、膜盒等)、傳動機構(gòu)、指示裝置和外殼(ke)組成。 |
||||||||||||||||||||||
|
三.型号命名 |
||||||||||||||||||||||
|
|
|
|||||||||||||||||||||
|
|
||||||||||||||||||||||
|
||||||||||||||||||||||
|
● 工作位置(zhi)、環境:儀表垂直安(an)裝,工作環境溫度(dù)-25~ |
||||||||||||||||||||||
|
||||||||||||||||||||||
|
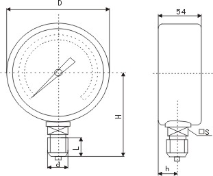
五.外(wài)形尺寸 |
||||||||||||||||||||||
|
|
||||||||||||||||||||||
|
||||||||||||||||||||||
| ? |
›
·
•
•