耐震壓力(lì)表是在普(pǔ)通壓力表(biao)的基礎上(shang),内部填充(chong)阻✌️国产🔞熟妇搡BBBB搡BBBB搡㊙️尼液并(bing)加裝緩沖(chong)機構,減輕(qing)環境劇烈(liè)振動及介(jie)質的脈沖(chòng)對儀表的(de)影響,耐震(zhèn)壓力表指(zhǐ)示穩定清(qīng)晰
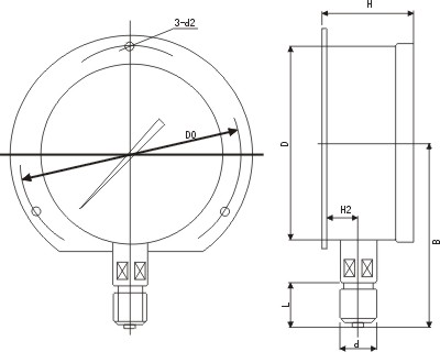
産品應(ying)用:耐震壓(ya)力表由導(dao)壓系統(包(bāo)括接頭、彈(dàn)簧管、限流(liú)螺釘等)、齒(chǐ)輪傳動機(jī)構、示數裝(zhuang)置(指✌️針🥰與(yu)度盤)和外(wài)殼(包括表(biao)殼、表蓋、表(biǎo)玻璃等⛷️)所(suo)組成。
.jpg)
|
一.用途說(shuo)明 |
|||||||||||||||||||||||||||||||||||||||||||||||||||||||||||||||||||||||||||||||||||||||||||||||||||||||
|
|
|||||||||||||||||||||||||||||||||||||||||||||||||||||||||||||||||||||||||||||||||||||||||||||||||||||||
|
二.型号(hao)命名 |
|||||||||||||||||||||||||||||||||||||||||||||||||||||||||||||||||||||||||||||||||||||||||||||||||||||||
|
|
|||||||||||||||||||||||||||||||||||||||||||||||||||||||||||||||||||||||||||||||||||||||||||||||||||||||
|
|||||||||||||||||||||||||||||||||||||||||||||||||||||||||||||||||||||||||||||||||||||||||||||||||||||||
|
|
|||||||||||||||||||||||||||||||||||||||||||||||||||||||||||||||||||||||||||||||||||||||||||||||||||||||
|
|||||||||||||||||||||||||||||||||||||||||||||||||||||||||||||||||||||||||||||||||||||||||||||||||||||||
|
使用環境(jìng)溫度:-5~ |
|||||||||||||||||||||||||||||||||||||||||||||||||||||||||||||||||||||||||||||||||||||||||||||||||||||||
|
|||||||||||||||||||||||||||||||||||||||||||||||||||||||||||||||||||||||||||||||||||||||||||||||||||||||
|
|||||||||||||||||||||||||||||||||||||||||||||||||||||||||||||||||||||||||||||||||||||||||||||||||||||||
|
備注:連接螺紋(wen)可按要求(qiu)訂貨。 |
| ? |
|