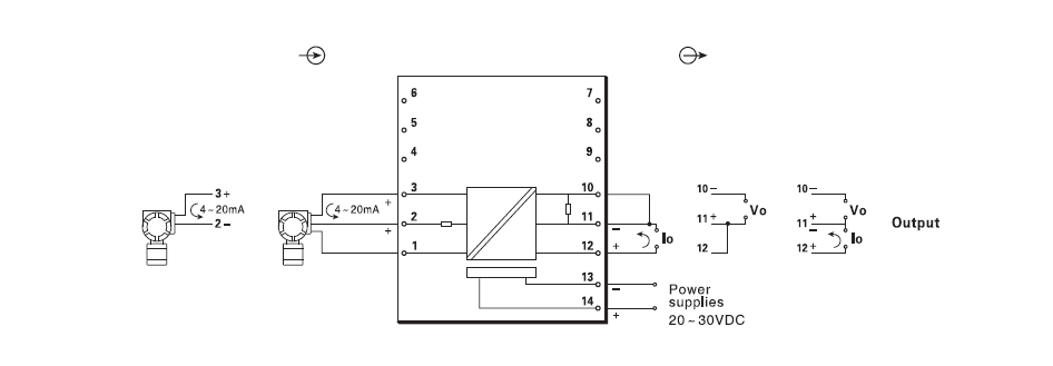
配電式(shì)隔離器(通常(chang)稱配電器)的(de)作用是爲原(yuán)工業現場提(ti)供💚一種兩線(xian)制傳輸方式(shi),既要爲變送(sòng)器等一次儀(yi)表🌈国产真实乱🔞子伦清晰对白🌈提供24V配電(diàn)🌈電源,同時又(yòu)要對輸入的(de)電流信号進(jin)行采集、放大(dà)、運算、和進行(háng)抗幹擾處理(lǐ)後,再輸出隔(ge)離的電流和(he)電壓信号,供(gong)後面的二次(ci)儀表或其它(tā)儀表使用。
産(chǎn)品應用:将變(biàn)送器4~20mA信号隔(ge)離傳送。可選(xuǎn)擇4~20mA或1~5V信号輸(shu)出,或其它所(suǒ)需的直🈲流信(xin)号,模塊化表(biao)芯設計,無需(xu)零點和滿度(du)調節🤞。帶有工(gōng)作🙇♀️電源指示(shi)燈。
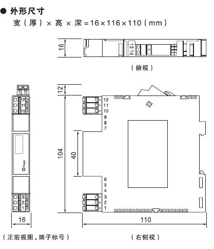
.jpg)
CML2020D 電流信号(hao)輸入配電隔(gé)離器(一入一(yī)出)
CML2020D 配電隔離(li)器是向現場(chang)的變送器提(tí)供隔離的電(dian)源電壓,并将(jiāng)變送器産生(sheng)的 4~20mA信号經本(ben)隔離器轉換(huan)成⚽所需的直(zhi)流信号至控(kòng)制系統或其(qí)它智能儀表(biǎo)。LDG8041電🤟流信号輸(shū)入配電隔離(li)器需要獨立(lì)供電,供電電(diàn)源-輸入回路(lu)-輸出回路🈲之(zhī)間電磁隔離(li)。 一、CML2020D 配電隔離(lí)器特性: 1、給變(biàn)送器提供驅(qu)動電壓16.5~28V; 2、将變(bian)送🍓器4~20mA信号隔(gé)離傳送,其它(tā)所需的直流(liú)信号; 3、模塊化(hua)表芯設計,無(wu)需零點和滿(mǎn)度調節; 4、單通(tōng)道,一路輸入(ru)一路輸出,輸(shū)入回路短路(lu)保護; 5、帶有工(gong)作電源指示(shi)燈;